Estabilizadores de tensión
Cater Device S.A.
Ofrecemos soluciones confiables para asegurar el funcionamiento óptimo de sus equipos electrónicos.
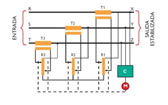
Principios de funcionamiento
Tipos de estabilizadores
- Monofásicos 220 VCA desde 1KVA hasta 320 KVA
- Monofásicos 220 VCA asimétricos tensión de entrada +15% - 35%, desde 1,1 KVA hasta 115 KVA
- Trifásicos 380 VCA . Estabilizador con el promedio de fases desde 3KVA hasta 780 KVA
- Trifásicos 380 VCA . Estabilizador independiente por fase desde 3 KVA hasta 2800 KVA
- Monofásico 380 VCA asimétricos tensión de entrada +15% - 35%, desde 3,3 KVA hasta 800 KVA
Características principales
• Gran fiabilidad. Por ejemplo, en donde esté prevista la instalación en lugares de difícil acceso, con condiciones ambientales críticas por el frío, calor, humedad, descargas atmosféricas, etc.;
• Capacidad de compensación de amplias variaciones de tensión en la red (de forma simétrica hasta ±30%, y de forma asimétrica de -35% a +15%). Es una exigencia típica de los equipos instalados lejos de los centros de distribución eléctrica o en países con serios inconvenientes en las líneas de distribución eléctrica;
• Estabilización de equipos de gran potencia o con una fuerte absorción en el arranque. Por ejemplo: motores, acondicionadores de aire, compresores, bombas, etc.;
• Simple y limitado mantenimiento. Determinante en lugares donde sea difícil encontrar personal calificado para efectuar el mantenimiento.
• Elevada precisión de la tensión estabilizada. Condición ideal para uso en aplicaciones estándar y especiales, donde un nivel de tensión asegurada y fiable, es fundamental.
Características generales
Gama
Nuestra gama de estabilizadores de tensión incluye modelos con potencias variables de 1 a 2.800 kVA. Monofásicos de 1kVA a 320kVA y Trifásicos de 3kVA a 2.800kVA.
Presición
Aseguramos verdadero valor eficaz o True RMS de la tensión con una precisión que varía, según el modelo, del ±0,5% al ±1,5%, inclusive en presencia de fuertes distorsiones armónicas de la red.
Velocidad de regulación
El circuito innovador de control proporciona al estabilizador, una elevadísima velocidad de regulación, de 11 a 50 ms/Voltio, según el modelo.
Capacidad de sobrecarga
Efectivamente soportan, sin daño alguno, sobrecargas de hasta 1.000% de la corriente nominal por 10 milisegundos, 500% por 6 segundos, 100% por 1 minuto.
Rendimiento
Varía, a plena carga, del 96% para los modelos de menor potencia, al 98% para los equipos de más potencia.
Insensibilidad total a las variaciones de la carga y/o su factor de potencia.
Mantienen las propias características de precisión y velocidad de regulación, tanto a plena carga como en vacío, con cargas inductivas o capacitivas.
Insensibilidad a las variaciones de frecuencia
El circuito de control del servo motor funciona correctamente incluso con variaciones de la frecuencia de la red del ±5%.
Distorsión armónica introducida
La excelente calidad de los materiales y su uso correcto, mantienen la distorsión armónica introducida en menos del 0,2%, en cualquier condición de trabajo.
Impedancia
La inserción de los estabilizadores de tensión en una instalación preexistente no requiere un nuevo cálculo de las protecciones porque su impedancia interior que varía, según los modelos, de 0,52 a 0,015 ohm, no influye de modo significativo en la impedancia de línea.
Fiabilidad
Las continuas mejoras que se han adoptado para nuestros estabilizadores han dado a estos equipos un MTBF (tiempo promedio entre fallas) excepcional: 500.000 hs.
Temperatura de funcionamiento
Operan correctamente con temperatura ambiente máxima de 40°C en las condiciones más desfavorables: funcionamiento continuo, plena carga, tensión de entrada al mínimo valor de compensación. A pedido, equipos para operar hasta 45°C ó 50°C.
Conformidad con las normas
Cumplen con las normas contenidas en las Directivas: Compatibilidad Electromagnética 89/336/CEE y modificaciones sucesivas; Baja Tensión 73/23/CEE y modificaciones sucesivas.














